
产品说明:
PQ340Y手动涡轮多功能旋转阀利用偏心阀体,偏心球体和阀座,阀杆作旋转运动时在共同轨迹自动定心,关闭过程中越关越紧,完全达到良好的密封性能。阀门的球体和阀座完全脱离,消除了密封圈的磨损,克服了传统球体阀座与球体密封面始终磨损的问题,非金属弹性材料被嵌入金属座中,阀座金属面受到良好的保护。本产品特别适用于钢铁业,铝业,纤维,微小固体颗粒,纸浆,煤灰,石油气等介质。
产品特点:
1.内部阀座为活动阀座,具有一定磨损补偿作用,更换拆卸方便。
2.用途范围广泛,基本可以适用各种普通管线介质使用。
3.阀体是一体式铸造,连接点少故而泄露点就少。
执行标准:
设计制造:GB/T12237-2007/GB/T26146-2010
结构长度:GB12221-2005
供货要求:GB/T12252-2005
压力试验:GB/T13927-2008
试压检验:GB/T13927-1992
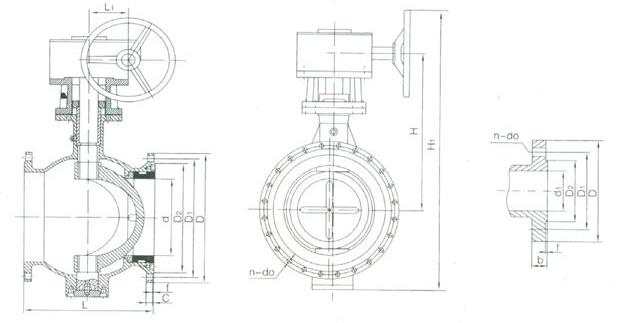
产品结构尺寸图:
气动球阀的维护:
气动球阀在安装前的准备工作:
1、保证气动管路球阀安装位置管线在同轴位置上,管线上两片法兰应保持平行,确认管线能够承受气动管路球阀自身重量,如果发现管线不能承受气动管路球阀重量,则在安装前为管线配备相应的支撑。
2、确认管线内是否有杂质、焊渣等,必须要把管线内吹扫干净。
3、核对气动管路球阀铭牌,并对气动管路球阀进行全开全闭数次操作,确认阀门能够正常工作,再多方面检查一次阀门的各个细节,保证阀门完好无损。
4、除去阀门两端的保护盖,检查阀体内是否干净,清洗阀体内腔,由于气动管路球阀的密封面是球形状,即使微小的杂物也可能造成密封面的损伤。
气动管路球阀的安装:
1、气动管路球阀的任何一段都可安装在上游端,手柄气动管路球阀可以安装在管线的任何位置,如果配置执行机构(如齿轮箱、电-气动执行器)的气动管路球阀,则必须垂直安装,阀门进出口处在水平位置上。
2、气动管路球阀法兰与管线法兰间按管路设计要求装上密封垫。
3、法兰上的螺栓需对称、逐次、均匀拧紧。
4、如果气动管路球阀采取气动、电动等执行器时,按说明书完成气源、电源的安装。
气动管路球阀安装后的检查:
1、安装完毕后,启动气动管路球阀开、关数次,应该动作灵活,受力均匀,气动管路球阀工作正常。
2、根据管道压力设计要求,通压后检测气动管路球阀与管道法兰结合面的密封性能。





